产品中心
Product Center联系我们
地址:青岛市高新区宝源路780号青岛高新国际企业港46#103户
电话:0532-87836677
传真:0532-87836677
应用领域:
零点定位系统用于减少更换工装的时间,可在金属切削和非切削等各领域中使用,也可用于食品工业,化工和制药工业中使用。止位功能可以为夹具托板提供每旋转90°的分度定位。
说明:
K10.2内置安装型零点定位器,带止位功能,可通过气液增压泵No.426569供应压力来解锁,只需要给气液增压泵5bar的输入气压。这种零点定位器具有夹紧力和拉紧力高等优点。通过液压解锁(1),通过弹簧力进行机械锁紧。锁紧状态下可以随时切断压力源,因为正常锁紧时不
需要通压力。
带自动除屑和间隙感应功能的零点定位器有两个接口:1x液压解锁接口(1),1x自动除屑和间隙感应供气口(3).(自动除屑和间隙感应供气口可根据实际情况选择是否接通。)
说明:

| 订货号 | 尺寸 | 夹紧力可达[kN] | 拉紧力[kN] | 吹屑 | 重量[Kg] |
| 428490 | K10.2 | 10 | 25 | √ | 0,6 |
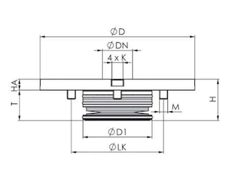
| 订货号 | 尺寸 | dia. D | dia. DN | dia. DN | H | HA | dia. LK | M | T |
| 428490 | K10.2 | 112 | 22 | 50 | 30 | 8 | 77 | M6 | 22 |
*如果您有任何问题,反馈或意见,请填写下面的表格,我们会尽快回复你